
|
Özellikler |
Min Uzunluk |
Max Length |
c |
6/12/18/24 |
||
d |
3/4/6/7/9/10/12 |
||
Lu |
80 |
1050 |
|
Le |
80 |
1000 |
|
a |
20 |
100 |
|
f |
25 |
100 |
|
g |
25 |
60 |
|
|
Özellikler |
Min Uzunluk |
Max Length |
c |
6/12/18/24 |
||
d |
3/4/6/7/9/10/12 |
||
Lu |
100 |
1000 |
|
Le |
110 |
1000 |
|
a |
25 |
100 |
|
f |
25 |
100 |
|
g |
20 |
50 |
|
|
Özellikler |
Min Uzunluk |
Max Length |
c |
6/12/18/24 |
||
d |
3/4/6/7/9/10/12 |
||
Lu |
200 |
800 |
|
Le |
100 |
1000 |
|
a |
25 |
80 |
|
l |
150 |
650 |
|
m |
25 |
100 |
|
f |
25 |
100 |
|
k |
45° |
||
g |
25 |
50 |
|
|
Özellikler |
Min Uzunluk |
Max Length |
c |
6/12/18/24 |
||
d |
3/4/6/7/9/10/12 |
||
Lu |
250 |
1050 |
|
Le |
100 |
1000 |
|
a |
25 |
100 |
|
l |
180 |
850 |
|
l1 |
200 |
950 |
|
n |
30 |
100 |
|
f |
25 |
100 |
|
m |
30 |
50 |
|
k |
90° |
||
g |
25 |
50 |
|
|
Özellikler |
Min Uzunluk |
Max Length |
c |
6/12/18 |
||
d |
3/4/6/7/9 |
||
Lu |
100 |
900 |
|
Le |
120 |
1000 |
|
Leh |
100 |
900 |
|
a |
25 |
80 |
|
h |
20 |
80 |
|
f |
25 |
100 |
|
g |
25 |
50 |
|
|
Özellikler |
Min Uzunluk |
Max Length |
c |
6/12/18/24 |
||
d |
3/4/6/7/9/10/12 |
||
Lu |
100 |
1000 |
|
Le |
100 |
1000 |
|
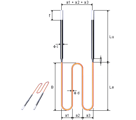
a1+a2+a3 |
25×3 |
100×3 |
|
f |
25 |
100 |
|
g |
25 |
50 |
|
B |
100 |
1000 |
|
|
Özellikler |
Min Uzunluk |
Max Length |
c |
6/12/18/24 |
||
d |
3/4/6/7/9/10/12 |
||
Lu |
150 |
1050 |
|
Le |
150 |
900 |
|
a1+a2+a3 |
25×3 |
100×3 |
|
f |
25 |
100 |
|
g |
25 |
60 |
|
|
Özellikler |
Min Uzunluk |
Max Length |
c |
6/12/18/24 |
||
d |
3/4/6/7/9/10/12 |
||
Lu |
200 |
800 |
|
Le |
100 |
900 |
|
a1+a2+a3 |
25×3 |
100×3 |
|
l |
100 |
600 |
|
k |
45° |
||
m |
30 |
60 |
|
f |
25 |
100 |
|
g |
25 |
50 |
|
|
Özellikler |
Min Uzunluk |
Max Length |
c |
6/12/18/24 |
||
d |
3/4/6/7/9/10/12 |
||
Lu |
250 |
1050 |
|
Le |
100 |
1000 |
|
a1+a2+a3 |
25×3 |
100×3 |
|
l |
150 |
850 |
|
l1 |
200 |
950 |
|
n |
40 |
100 |
|
f |
25 |
100 |
|
m |
30 |
50 |
|
k |
90° |
||
g |
25 |
60 |
|
|
Özellikler |
Min Uzunluk |
Max Length |
c |
6/12/18/24 |
||
d |
3/4/6/7/9/10/12 |
||
Lu |
100×2 |
600×2 |
|
Le |
100 |
900 |
|
OAL |
300 |
2100 |
|
f |
25 |
100 |
|
g |
25 |
60 |
|
|
Özellikler |
Min Uzunluk |
Max Length |
c |
6/12/18/24 |
||
d |
3/4/6/7/9/10/12 |
||
Lu |
150 |
1050 |
|
Le |
150 |
900 |
|
a1+a2+a3 |
25×3 |
100×3 |
|
f |
25 |
100 |
|
g |
25 |
60 |
|